Rénovation et transformations intérieures de l’Hôpital de Rolle

LE PROJET

CLIENT Groupement hospitalier de l'ouest lémanique SA (GHOL)
Pilote/DT JAM Management SA
LIEU Rolle (VD)
DUREE 2015 - 2020

Suite à l’inauguration de l’EMS « Les jardins du Léman », le Groupement Hospitalier de l’Ouest Lémanique (GHOL) SA a décidé de convertir l’hôpital de Rolle en centre de pneumologie. Étalés sur 2016-2018, ces travaux se dérouleront en site exploité et sans interruption de l’activité.

GHOL SA est une société d’intérêt public d’exploitation commune de l’Hôpital de Nyon et de l’Hôpital de Rolle.

LES POINTS REMARQUABLES

  • Réhabilitation de l’Hôpital de Rolle avec la création de lits spécialement adaptés pour le service de pneumologie.
  • Assainissement complet des installations techniques afin d’assurer des ambiances saines et confortables.
  • Conception de plafonds froids dans les chambres
  • Conception d’installations de gaz médicaux (O2, air et vide médical).
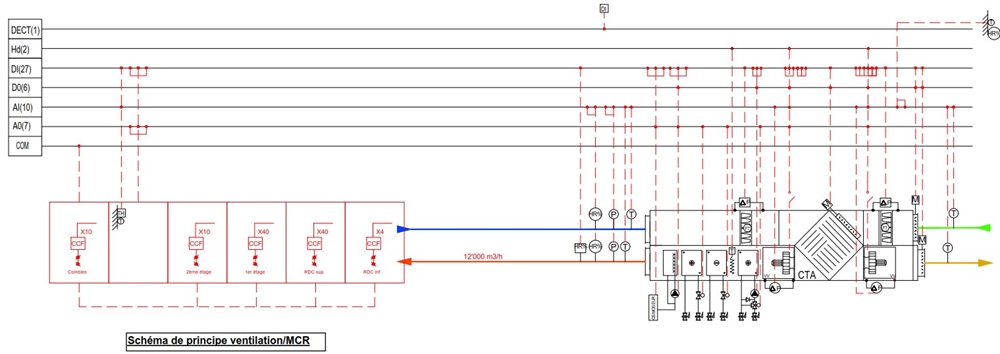
  • Conception d’un système d’automation communicante sur l’ensemble du bâtiment.
  • Travaux effectués en site exploité.
  • Installation d’une filtration d’air spécifique pour une salle de bronchoscopie selon la SICC 93-3 F
GHOL Rolle

NOS PRESTATIONS

CSD INGÉNIEURS a été choisi pour planifier et installer les équipements en chauffage, ventilation, climatisation, sanitaire et régulation (CVCSR) pour les phases SIA 108 suivantes :

  • Avant-projet, projet de construction
  • Appel d’offres
  • Projet d’exécution
  • Réalisation et mise en service (en cours)
GHOL Rolle